1、产品图

2、营业执照

3、生产许可证

4、备案凭证

5、检测报告


PH检测结果5.2,符合标准
头皮是弱酸性,健康人的头皮PH值在4.5-5.5之间,呈弱酸性状态。头发是没有PH值的,但头皮的PH值决定头发的干中油形态,其中油性为3—4.5,属于酸性;干性为7—8,为弱碱性;中性在5—6,为弱酸性。皮肤只能在弱酸性的环境下,才能抑制一些致病类微生物的生长,有利于益生菌的生长,为皮肤筑起保护外来各种侵蚀的屏障,确保皮肤的洁净、弹性、光泽、细腻,也确保头部毛发的健康、茁壮。
了解这些,我们就知道日常生活中如何选择适合自己的洗发水。以洗头为例,如果你长期用弱碱性甚至是强碱性(皂类)的洗发水,就必定破坏你的弱酸性的头皮环境,使你的头皮呈现碱性状态。而碱性的头皮毛孔粗大,容易藏污纳垢、滋养细菌,导致皮肤瘙痒发炎、进一步损伤到皮下的毛囊,导致头发干枯毛糙、白发与脱发。

二噁烷,未检出
让我们来了解一下二噁烷是什么:它可以通过呼吸,食入、与皮肤接触进入体内有麻醉和刺激作用,在体内有蓄积作用。对皮肤、眼部和呼吸系统有刺激性,并可能对肝、肾和神经系统造成损害,急性中毒时可能导致死亡,已被美国列为致癌物质。
曾有报告显示,市面上超6成洗发水被检测出二噁烷,有部分洗发水二噁烷含量超过欧盟SCCS建议的10ppm安全水平。
而本款茶氏家族山茶麸酵素洗发乳
二噁烷未检出
二噁烷未检出
二噁烷未检出

6、功效评价
(1)消费者使用测试
功效评价检测结果:使用该产品28天后,受试者对产品质地气味观感、肤感、温和度、保湿、舒缓、防断发、控油和去屑效果及最终使用感受分别进行了评分,统计学上超过50%的受试者对产品的各项评分给予了积极评价。
产品具有无泪配方、保湿、舒缓、防断发、去屑的效果以及12小时控油效果










功效评价报告中“产品肤感细项评分结果”显示:
“产品容易起泡”的均值均为5.53分,有90.63%受试者认同;
“产品容易清洗干净”的均值为5.84分,有96.88%受试者认同。

功效评价报告中“产品温和度评价结果”显示:
“对头皮温和无刺激”在D14时有100.00%认同,在D28时则有96.88%认同;
“对眼睛无刺激”在D14时有96.88%认同,在D28时则有93.75%认同;“眼睛无泛红流泪情况”在D14和D28时均有96.88%认同。(D14表示使用14天,下同)


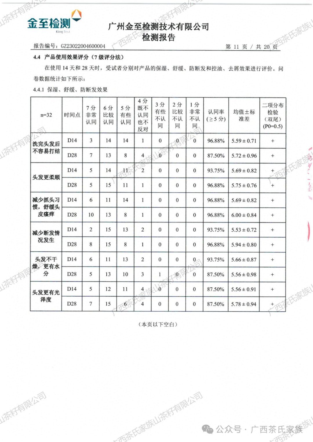
功效评价报告中“保湿、舒缓、防断发效果评分结果”显示:
“洗完头发后不容易打结”在D14时有96.88%认同,在D28则有87.50%认同;
“头发更柔顺”和“减少断发情况发生”在D14时均有93.75%认同,在D28则均有96.88%认同,提升3.13%认同率;“减少抓头习惯,舒缓头皮瘙痒”在D14和 D28时均有96.88%认同;“头发不干燥,更有水分”在D14时有93.75%认同,在 D28则有87.50%认同;“头发更有光泽度”在D14和D28时均有87.50%认同。


功效评价报告中“产品控油、去屑效果评分结果”显示:
超过50%的受试者对产品控油、去屑效果评分给予积极评价。
其中“能有效清洁头皮油脂”和“能有效清理头皮屑,减缓头皮屑生成”在D14时均有93.75%认同,在D28时则均有96.88%认同,提升3.13%认同率;“用后头发更蓬松”在D14时有100.00%认同,在D28则有90.63%认同;“减少头皮油脂分泌”在D14时有96.88%认同,在D28则有93.75%认同;“头发持久清爽”在D14时有90.63%认同,在D28则有93.75%认同,提升3.12%认同率;“有12小时控油效果”在D14时有87.50%认同,在D28则有96.88%认同,提升9.38%认同率。






在产品使用功效方面显示:
使用产品28天后,超过50%的受试者对产品的保湿、舒缓、防断发、控油和去屑效果给予积极评价。
其中90%以上的受试者对“头发更柔顺”、“减少抓头习惯,舒缓头皮瘙痒”、“减少断发情况发生”、“能有效清洁头皮油脂”、“能有效清理头皮屑,减缓头皮屑生成”、“用后头发更蓬松”、“减少头皮油脂分泌”、“头发持久清爽”和“有12小时控油效果”表示认同;80%以上的受试者对“洗完头发后不容易打结”、“头发不干燥,更有水分”和“头发更有光泽度”表示认同。

(2)修护功效评价
功效评价检测结果:使用由广西茶氏家族山茶籽有限公司提供的茶氏家族山茶麸酵素洗发乳能有助于修复毛鳞片,使头发毛鳞片保持正常状态,减少摩擦性能的效果。
说明产品具有修护(毛鳞片修复)功效。






